First U.S. “Calculating Machine”

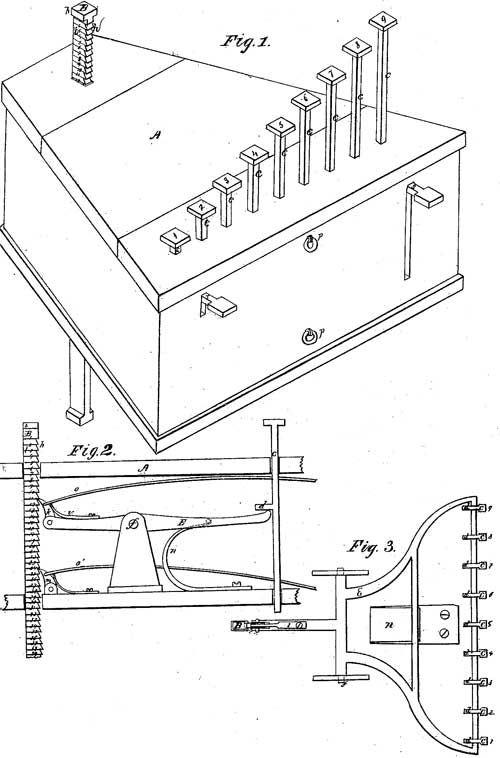
ParmeleeToday in 1850, the first US patent (US No. 7,074) for a push-key operated adding machine is issued to Dubois D. Parmelee of New Paltz, New York. The first commercially successful calculator will be invented forty years later by William Burroughs.

Unknown's avatar

About GilPress

I launched the Big Data conversation; writing, research, marketing services; http://whatsthebigdata.com/ & https://infostory.com/
This entry was posted in Computer history, Patents. Bookmark the permalink.

Leave a comment